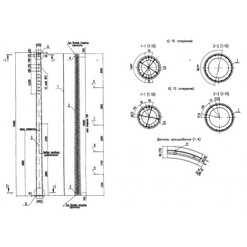
СТ 104

Чертеж изделия:
Характеристики изделия:
ПараметрЗначение
длина10400 мм
ширина453 мм
высота453 мм
вес1820 кг
серияТП 4180

СТ 104 Стойки  по проекту ТП 4180.