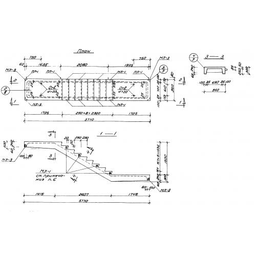
ЛМ 58-12

Чертеж изделия:
Характеристики изделия:
ПараметрЗначение
длина5770 мм
ширина950 мм
высота1500 мм
масса1950 кг
нормативный документСерия ИИС 04-7

ЛМ 58-12 Лестничные марши по Серии ИИС 04-7.