ЛР 3
Характеристики изделия:
| Параметр | Значение |
|---|---|
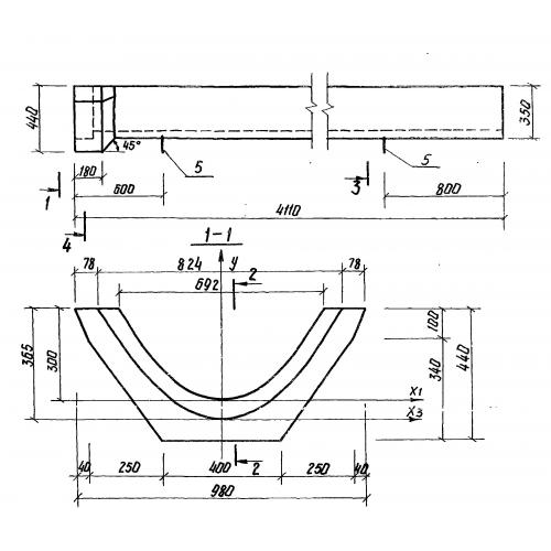
| длина | 4110 мм |
| ширина | 980 мм |
| высота | 440 мм |
| масса | 525 кг |
| нормативный документ | Серия 3.820-23 |
Цена:
Рассчитать стоимостьЛР 3 Лотки раструбные параболические водопойные по Серии 3.820-23.
| Параметр | Значение |
|---|---|
| длина | 4110 мм |
| ширина | 980 мм |
| высота | 440 мм |
| масса | 525 кг |
| нормативный документ | Серия 3.820-23 |
ЛР 3 Лотки раструбные параболические водопойные по Серии 3.820-23.
