В 2
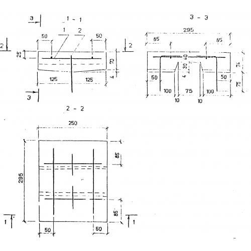
Характеристики изделия:
| Параметр | Значение |
|---|---|
| длина | 295 мм |
| ширина | 250 мм |
| высота | 74 мм |
| вес | 12,5 кг |
| серия | 3.501.1-175.93 |
Цена:
Рассчитать стоимостьВ 2 Блоки перекрытия продольного шва по серии 3.501.1-175.93.
| Параметр | Значение |
|---|---|
| длина | 295 мм |
| ширина | 250 мм |
| высота | 74 мм |
| вес | 12,5 кг |
| серия | 3.501.1-175.93 |
В 2 Блоки перекрытия продольного шва по серии 3.501.1-175.93.
