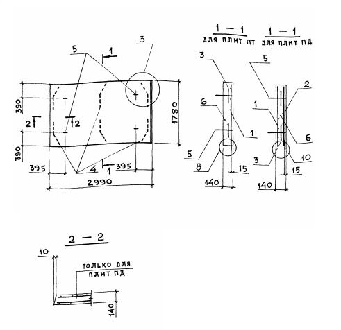
ПД 300.180.14 плиты днища

Чертеж изделия:
Характеристики изделия:
ПараметрЗначение
длина2990 мм
ширина1780 мм
высота140 мм
масса1880 кг
нормативный документСерия 3.006.1-8

ПД 300.180.14  Плиты днища каналов Серия 3.006.1-8.