П 4
Характеристики изделия:
| Параметр | Значение |
|---|---|
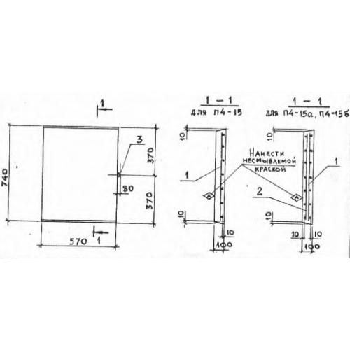
| длина | 740 мм |
| ширина | 570 мм |
| высота | 100 мм |
| масса | 110 кг |
| нормативный документ | Серия 3.006.1-2/82 |
Цена:
Рассчитать стоимостьП 4 Плиты перекрытия лотков Серия 3.006.1-2/82.
| Параметр | Значение |
|---|---|
| длина | 740 мм |
| ширина | 570 мм |
| высота | 100 мм |
| масса | 110 кг |
| нормативный документ | Серия 3.006.1-2/82 |
П 4 Плиты перекрытия лотков Серия 3.006.1-2/82.
