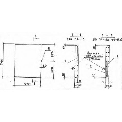
П 4

Чертеж изделия:
Характеристики изделия:
ПараметрЗначение
длина740 мм
ширина570 мм
высота100 мм
вес110 кг
серия3.006-2

П 4 Плиты перекрытия лотков по серии 3.006-2.