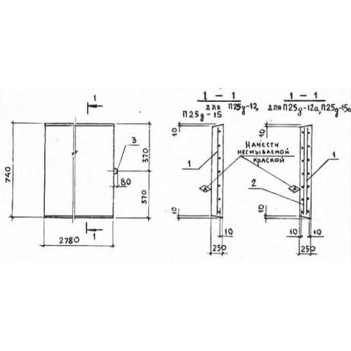
П 25д

Чертеж изделия:
Характеристики изделия:
ПараметрЗначение
длина740 мм
ширина2780 мм
высота250 мм
вес1290 кг
серия3.006-2

П 25д Плиты перекрытия лотков доборные по серии 3.006-2.