2ПДС 6

Чертеж изделия:
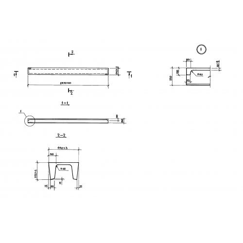
Характеристики изделия:
ПараметрЗначение
длина5970 мм
ширина440 мм
высота250 мм
вес590 кг
серия1.865.1-4/89

2ПДС 6 Плиты покрытия доборные для сельскохозяйственных зданий по серии 1.865.1-4/89.