К

Чертеж изделия:
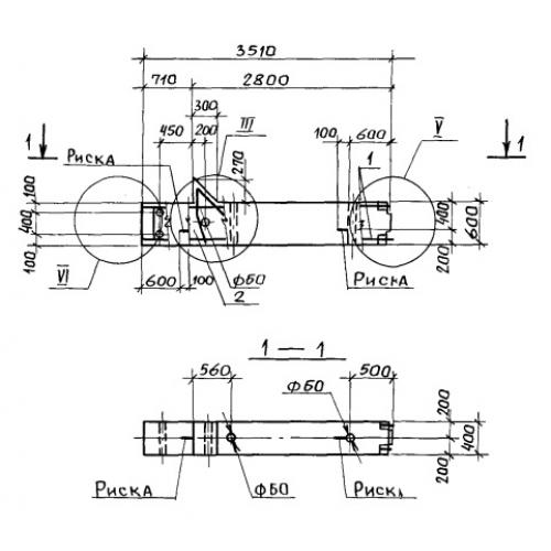
Характеристики изделия:
ПараметрЗначение
длина3510 мм
ширина600 мм
высота400 мм
масса1780 кг
нормативный документСерия 1.420.1-20с

К  Колонны Серия 1.420.1-20с.