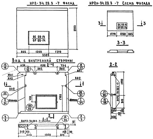
НР2л-34.29.3-7

Чертеж изделия:
Характеристики изделия:
ПараметрЗначение
Длина3395 мм
Ширина300 мм
Высота2900 мм
Масса3550 кг
Нормативный документСерия 1.132-2

НР2л-34.29.3-7    Наружная стеновая панель рядовая по Серии 1.132-2.