ПВА 29.30.20-3Т-ПВ
Характеристики изделия:
| Параметр | Значение |
|---|---|
| длина | 2850 мм |
| ширина | 160 мм |
| высота | 3040 мм |
| масса | 1550 кг |
| нормативный документ | Серия 1.090.1-3пв |
Цена:
Рассчитать стоимостьПанели внутренних стен для зданий с высотой этажа 3,3 м (Серия 1.090.1-3пв).
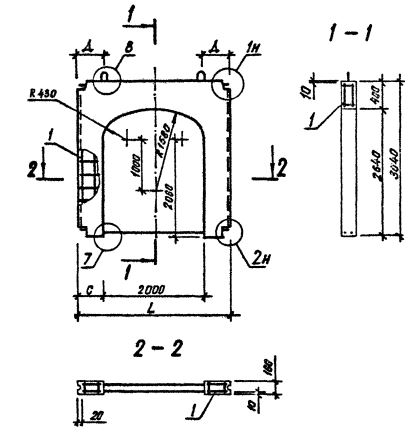
ПВА 29.30.20-3Т-ПВ Панели внутренние арочные.
Марка содержит обозначение основных характеристик панели и состоит из буквенно-цифровых групп.
Цифра первой группы обозначает зеркальность конструкции.
Группа букв означает название стеновой панели.
Группа цифр (записаны через точку) обозначает габариты панели (длина, высота) и ширину проема в дециметрах.
Вторая группа цифр обозначает прочностную характеристику:
1Т - бетон тяжелый М150;
3Т - бетон тяжелый М250;
1ТВ - бетон тяжелый М250, панель с вентиляционным отверстием.
ПВ - изделие предназначено для строительства зданий на просадочных грунтах и на подрабатываемых территориях.