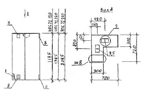
ПС 72.120.30 панели стеновые
Характеристики изделия:
| Параметр | Значение |
|---|---|
| длина | 720 мм |
| ширина | 300 мм |
| высота | 1185 мм |
| масса | 560 кг |
| нормативный документ | Серия 1.030.1-1/88 |
Цена:
Рассчитать стоимостьПС 72.120.30 Панели стеновые Серия 1.030.1-1/88.
| Параметр | Значение |
|---|---|
| длина | 720 мм |
| ширина | 300 мм |
| высота | 1185 мм |
| масса | 560 кг |
| нормативный документ | Серия 1.030.1-1/88 |
ПС 72.120.30 Панели стеновые Серия 1.030.1-1/88.