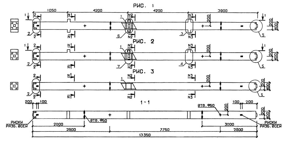
3КНО 4.42

Чертеж изделия:
Характеристики изделия:
ПараметрЗначение
длина13350 мм
ширина400 мм
высота550 мм
масса6570 кг
нормативный документСерия 1.020.1-3пв

3КНО 4.42  Колонны нижние одноконсольные Серия 1.020.1-3пв.