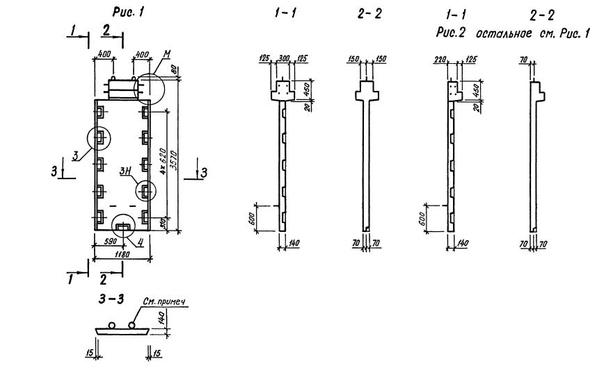
1Д 12.36

Чертеж изделия:
Характеристики изделия:
ПараметрЗначение
длина1180 мм
ширина345 мм
высота3570 мм
масса1540 кг
нормативный документСерия 1.020.1-3пв

1Д 12.36  Диафрагмы жесткости с одной полкой Серия 1.020.1-3пв.