С 19-30

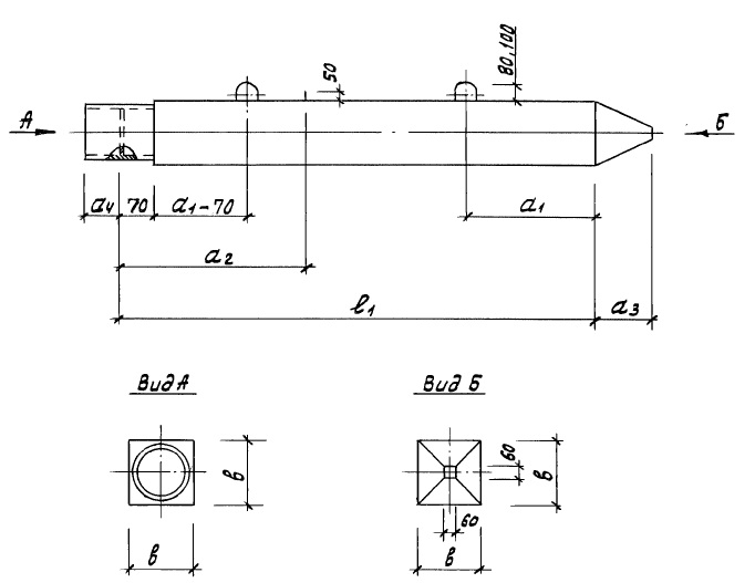
Чертеж изделия:
Характеристики изделия:
ПараметрЗначение
длина19000 мм
ширина300 мм
высота300 мм
масса4280 кг
нормативный документСерия 1.011-КЖИ.10000

С 19-30 Сваи составные  Серия 1.011-КЖИ.10000.