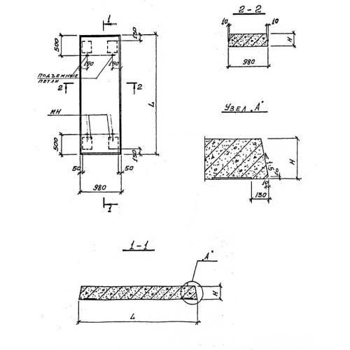
ПТН 42-10

Чертеж изделия:
Характеристики изделия:
ПараметрЗначение
длина4500 мм
ширина980 мм
высота400 мм
масса4275 кг
нормативный документСерия 0.55.18.236

ПТН 42-10 Плиты перекрытия тоннелей Серия 0.55.18.236.