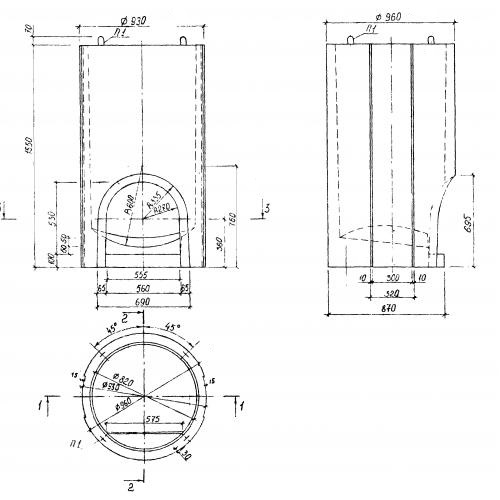
ВД 8 рабочие камеры водосточных колодцев

Чертеж изделия:
Характеристики изделия:
ПараметрЗначение
длина960 мм
ширина960 мм
высота1550 мм
масса950 кг
нормативный документАльбом РК 2201-82

ВД 8  Рабочие камеры дождеприемных колодцев Альбом РК 2201-82.